污水臭氧催化氧化深度处理系统包括哪些设备
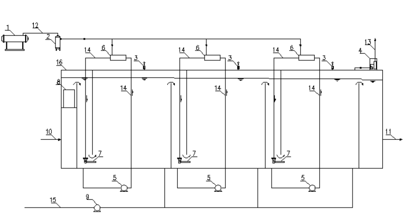
污水臭氧催化氧化深度处理系统(图)应由臭氧催化氧化单元和臭氧发生装置单元以及检测控制单元构成。各类形式臭氧催化氧化单元以及臭氧发生装置单元的过程控制宜符合本规程附录 A 的规定。

臭氧发生装置单元的气源宜采用氧气源。
臭氧发生装置单元的氧气源,应根据气源成本、臭氧的发生量、场地条件以及臭氧发生的综合单位成本等因素选择液氧、空气 PSA 或 VPSA 制氧或能满足气源要求的其他富氧源。
检测控制单元应由检测仪表和控制单元构成。

1臭氧发生装置单元;2-防倒流罐;3-自动双向压力乎衡阀;4-臭氧尾气消除装置;5-射流泵;6一高效臭氧溶气装置;7-二次混合设备;8-均相催化反应器;9一放空泵;10-进水管路;11-出水营路;12-臭氧管路;13一臭氧尾气排出管路:14一射流营路;15一放空管路;16一臭氧催化氧化池
射流投加臭氧催化氧化单元过程控制示意图(均相)
热文推荐 / Hot product
-
-
臭氧催化氧化反应机制及工艺工作原理详解一、臭氧催化氧化技术概述臭氧催化氧化技术是近年来水处理领域发展迅速的高级氧化工艺之一,它结合了臭氧强氧化性和催化剂的选择性...
-
-
小鼠臭氧暴露染毒实验装置设计一、系统组成臭氧发生系统臭氧发生器:选用医用或实验室级臭氧发生器(UV-M2臭氧发生器),臭氧浓度范围需覆盖实验需求(如0.5-5 ...
-
-
本方案旨在设计和构建一个高效处理工业废水的中试科研平台,主要用于评价多种高级氧化技术(如O3/电催化、O3/颗粒催化剂、O3/UV、O3/H2O2、O3/微纳米气泡)对废水处理的性能效果。...
-
-
粉末催化剂臭氧发生装置搭建如何搭建一个粉末催化剂臭氧发生装置呢,以下是臭氧催化氧化实验装置包括所需配置。一、实验装置配置1. 核心组件臭氧发生器:类型:实验室级...
-
-
引言臭氧(O₃)是一种强氧化剂,广泛应用于水处理、空气净化、消毒杀菌等领域。然而,臭氧的实验研究需要严谨的设计和方法,以确保实验结果的准确性和可重复性。本文将详...
-
-
搭建实验室臭氧氧化系统需要根据实验目标(如臭氧催化氧化、臭氧脱色、臭氧消毒等)设计合理的装置。以下是详细的搭建步骤和所需设备:一、系统组成臭氧发生器:产生臭氧的...
-
-
两柱臭氧催化氧化实验装置的用途结束这个视频介绍两柱臭氧催化氧化装置的用途,臭氧催化氧化评价装置中不同催化剂效果的对比实验是一种常见的研究方法,可以通过比较不同催化剂或在相同工艺条件下的氧化效率稳定性 、耐用性等指标来评估其性能。...
-
-
电-多相臭氧催化工艺深度处理焦化废水试验方法本文通过电-多相臭氧催化工艺开展其深度处理焦化废水生化出水的可行性研究.在使用负载 TiO2-NF 曝气器基础上,对比研究电-多相臭氧工艺相比传统臭氧催化工艺 O3/TiO2-NF、O3/TiO2-NF/ H2O2、TiO2-NF电化学氧化等工艺在污染物的去除效率、速率、矿化......